Berita

Katup gerbang NRS yang bergelang

2025-07-15 0 Tinggalkan aku pesan

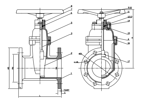
   ItuKatup gerbang batang non-rising (NRS) bergelangadalah katup penutup dengan koneksi bergelang dan batang non-askenden. Desain intinya menampilkan gerbang baji yang dilapisi karet (kursi tangguh) dan mekanisme batang yang tidak naik. Memutar handwheel menggerakkan mur batang untuk menggerakkan gerbang secara vertikal, menyegel atau membuka pipa. Sesuai dengan standar BS 5163/EN 1074 (peringkat tekanan PN10/16), katup menggabungkan kekuatan tubuh logam dengan penyegelan elastis nol kebocoran.


Instalasi yang dibatasi oleh skenarios aplikasi:

   Ruang katup bawah tanah dan galeri pipa sempit (desain NRS menghemat ruang vertikal); membangun interlayer pipa perlindungan kebakaran; kontrol cairan tekanan rendah ke menengah: penutupan dalam induk pasokan air kota; sistem air pendingin industri (Tahan Pabrik ≤80 ° C/176 ° F); stasiun pompa pemadam kebakaran, stasiun pompa/outlet, outlet uji/176 ° C/176 ° F); Fire Pump Station Inlets/Outlets (Outlets (Ul/FM (Ul/176 ° F); Fire Pump Station Inlets/Outlets Outlets (UL/FM CORTIFE); Fire Station Pump Station Inlets/Outlets Outlets (Ul/Fm Corosif); Fire Pump Station Inlets/Outlets Outlets (Ul/Fm Corosif); Fire Pump Station Inlets/Outlets Outlets (Ul/Fm Corosify); Segel menahan asam/alkali lemah); jaringan pipa pantai (lapisan epoksi penuh untuk perlindungan korosi).

   Keuntungan Inti1. Sealing ReliabilityDual-Seal Struktur: Kursi karet + kompresi baji logam mencapai EN 12266 Kelas A Sealing (kebocoran ≤0.01%); Kompensasi Keausan Otomatis: Kursi Elastis Mengisi Mikro-Deformasi, Memperluas Umur Layanan hingga 200.000 Siklus.2. Efisiensi Ruang & Pemeliharaan Rendah Desain NRS yang Tahan Tahan: Batang tertutup sepenuhnya mencegah kerusakan eksternal (60% lebih sedikit kegagalan vs katup batang-rising); Operasi bebas perawatan: Bantalan pelumasan diri + segel batang-peringkat IP68 (nol pemeliharaan selama 10 tahun) .3. Rekayasa adaptasi flensa yang dapat diubah: flensa ISO 5211 yang kompatibel dengan saluran pipa GB/ANSI/DIN; resistensi aliran rendah: desain bor penuh (DN≥80) mengurangi kehilangan kepala sebesar ≥30%; penutupan darurat: 90 ° rotasi handwheel memungkinkan penutupan cepat (respons ≤3-second).

   Aplikasi Industri Sedang Peningkatan Air Pub: Katup DN300 Mengganti gerbang baja cor penuaan (kebocoran dikurangi menjadi 0,001%); Sistem Kebakaran Pulau Palm Dubai: NRS Valves lulus ISO 9227 Tes Penyemprotan Garam (2.000 jam); Monasi Remote Tokol Pilihan Tiongkok. Suhu cairan/kompatibilitas kimia.

   SHANDONG EPOCH Equipment Co., Ltd. adalah produsen profesional skala besar di provinsi Shandong di Tiongkok, mematuhi orientasi sains dan teknologi, perlindungan lingkungan, kualitas dan efisiensi. Saat ini, ia telah tumbuh menjadi perusahaan trans-regional dan multi-industri yang mengintegrasikan industri yang luas seperti desain, pengembangan, produksi, dan ekspor. Kunjungi situs web kami dihttps://www.epochpipeline.com/untuk mempelajari lebih lanjut tentang produk kami. Untuk pertanyaan, Anda dapat menghubungi kami di sdepochwater@hotmail.com.


Berita Terkait
Tinggalkan aku pesan
X
Kami menggunakan cookie untuk menawarkan Anda pengalaman penelusuran yang lebih baik, menganalisis lalu lintas situs, dan mempersonalisasi konten. Dengan menggunakan situs ini, Anda menyetujui penggunaan cookie kami. Kebijakan Privasi
Menolak Menerima