Berita

Struktur dan prinsip kerja katup kupu -kupu

2025-06-13 0 Tinggalkan aku pesan

Rotasi 90 derajat, penguasaan kontrol aliran yang mudah-Katup kupu -kupu: Mengoptimalkan efisiensi dan biaya untuk operasi pipa berdiameter besar!

1. Tinjauan umum:

  Katup kupu -kupuadalah katup yang sederhana dan beroperasi secara struktural yang terutama digunakan untuk mengontrol aliran cairan (seperti air, gas, atau bubur) dalam pipa. Fungsi intinya adalah untuk membuka, menutup, atau mengatur aliran aliran dengan memutar cakram (cakram kupu -kupu) di dalam pipa.

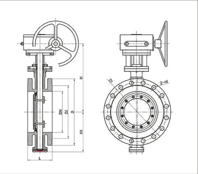
2. Komponen Key - Badan dan Disc:

   Tubuh utama katup kupu -kupu adalah tubuh katup, rumah silinder pendek yang terhubung ke pipa di kedua ujungnya, membentuk saluran cairan. Diposisikan secara terpusat di dalam bagian tubuh katup adalah komponen inti - disk. Ini adalah struktur berbentuk cakram yang desainnya (konsentris atau eksentrik) dan material secara signifikan memengaruhi kinerja katup.

3. Komponen Key - Batang dan Aktuasi:

   Batang melewati pusat atau titik eksentrik cakram dan meluas di luar tubuh katup. Poros ini bertanggung jawab untuk mentransmisikan gaya rotasi (torsi) yang dihasilkan oleh mekanisme operasi eksternal (seperti tuas, handwheel, atau aktuator otomatis) ke disk, mendorong rotasinya.

4. Komponen Key - Sealing (kursi dan segel):

   Untuk mencapai penyegelan saat ditutup, kursi annular dipasang di dinding bagian dalam bodi katup (atau pada tepi cakram dalam desain triple-offset). Ketika disk ditutup, tepinya menekan erat -erat di kursi ini. Bahan kursi dapat berupa elastomer (kursi lembut, mis., Karet, PTFE, menawarkan penyegelan yang baik) atau logam (kursi keras, tahan terhadap suhu dan tekanan tinggi). Selain itu, segel (seperti pengepakan atau cincin-O) berada di mana batang keluar dari tubuh katup, mencegah kebocoran media di sepanjang batang.

5. Prinsip Kerja - Proses Pembukaan:

   Ketika katup perlu dibuka, mekanisme operasi (manual atau otomatis) memutar batang. Batang menyebabkan cakram berputar di sekitar sumbu, bergerak dari posisi tegak lurus terhadap sumbu pipa (90 derajat, keadaan tertutup) menuju posisi yang sejajar dengan itu (0 derajat). Saat cakram berputar, obstruksi pada cairan berkurang, aliran aliran secara bertahap terbuka, dan fluida mengalir dengan lancar. Sudut rotasi memungkinkan kontrol laju aliran yang tepat.

6. Prinsip Kerja - Proses Penutupan:

   Ketika katup perlu ditutup, mekanisme operasi memutar batang ke arah yang berlawanan. Disk mulai berputar dari posisinya sejajar dengan pipa, secara progresif memblokir jalur aliran. Setelah berputar sekitar 90 derajat untuk mencapai posisi tegak lurus, tepi cakram menekan dengan kuat ke kursi. Melalui kompresi ini (mengandalkan deformasi elastis untuk kursi lunak, atau kontak lancip kerucut yang tepat untuk kursi keras), cincin penyegelan lengkap terbentuk antara tepi cakram dan kursi, benar -benar menghalangi aliran fluida.

7.Main Keuntungan:

   Keuntungan utama dari katup kupu-kupu terletak pada struktur kompaknya, bobot ringan, dan dimensi tatap muka pendek (ruang menghemat), operasi sederhana dan cepat (biasanya hanya membutuhkan rotasi 90 derajat untuk terbuka/tutup), resistansi fluida rendah (terutama ketika terbuka sepenuhnya), torsi operasi rendah, dan keuntungan biaya yang signifikan dalam pipeline-diameter besar.

8. Kekurangan dan pertimbangan MAIN:

   Kerugian katup kupu-kupu termasuk kemampuan tekanan penyegelan mereka biasanya lebih rendah dari katup gerbang atau bola dunia (terutama tipe duduk lunak), cakram selalu ada di jalur aliran yang menyebabkan beberapa kehilangan tekanan, kurang cocok untuk aplikasi throttling yang parah (yang dapat menyebabkan getaran atau erosi), dan sensitivitas bahan-bahan lunak terhadap suhu yang ekstrem.

9. Aplikasi Tipikal:

   Memanfaatkan keunggulan ini, katup kupu-kupu diterapkan secara luas dalam skenario berdiameter menengah hingga besar yang menuntut operasi cepat, kendala ruang, atau sensitivitas biaya. Aplikasi umum meliputi: Sistem pasokan air dan drainase (air minum, air limbah), sistem HVAC (pemanasan, ventilasi, dan pendingin udara), sistem perlindungan kebakaran, air pendingin di industri listrik, industri petrokimia (untuk industri suhu-suhu yang bertekanan rendah), slurry makanan dan slurry.

   SHANDONG EPOCH Equipment Co., Ltd. adalah produsen profesional skala besar di provinsi Shandong di Tiongkok, mematuhi orientasi sains dan teknologi, perlindungan lingkungan, kualitas dan efisiensi. Saat ini, ia telah tumbuh menjadi perusahaan trans-regional dan multi-industri yang mengintegrasikan industri yang luas seperti desain, pengembangan, produksi, dan ekspor. Kunjungi situs web kami dihttps://www.epochpipeline.com/untuk mempelajari lebih lanjut tentang produk kami. Untuk pertanyaan, Anda dapat menghubungi kami di sdepochwater@hotmail.com.

Berita Terkait
Tinggalkan aku pesan
X
Kami menggunakan cookie untuk menawarkan Anda pengalaman penelusuran yang lebih baik, menganalisis lalu lintas situs, dan mempersonalisasi konten. Dengan menggunakan situs ini, Anda menyetujui penggunaan cookie kami. Kebijakan Privasi
Menolak Menerima