Produk
Meteran Air Irigasi
  • Meteran Air IrigasiMeteran Air Irigasi
  • Meteran Air IrigasiMeteran Air Irigasi

Meteran Air Irigasi

Kegunaan: Alat ukur aliran untuk mengukur total volume air yang mengalir melalui pipa.

Kondisi yang disediakan:

▶Ukuran:DN50~DN600

▶Bahan: cangkang besi cor

▶ Tingkat suhu: T30,T50,T90

▶Kelas tekanan: MAP16,MAP10

▶Kehilangan tekanan:△P63


Metode instalasi:

1. Instalasi horizontal.

2. Diperlukan filter air tambahan.

3. Saluran masuk/keluar air meteran air memerlukan pipa lurus bagian U10/D5.


Karakteristik:

1. Resistensi transmisi kecil, kapasitas aliran besar, anti pemblokiran dan kemampuan anti polusi yang kuat.

2. Rotor horizontal, kering, penggerak kopling magnetik.

3. Penghitung mengadopsi penyegelan vakum, anti kondensasi dan atomisasi, dan dapat menjaga pembacaan tetap jelas untuk waktu yang lama.

4. Struktur yang dapat dilepas diadopsi untuk memudahkan pemasangan dan pemeliharaan

5. Mekanisme pengukuran memiliki universalitas yang kuat.

6. Sesuai dengan kebutuhan pelanggan, transmisi jarak jauh dan perangkat transmisi (transmisi buluh / aula ganda) dapat disediakan.


Parameter teknis:

hari (mm) Mengalir jangkauan Kelas pengukuran Maksimum aliran Q4 Umum aliran Q3 Aliran batas Q2 Minimum aliran Q1 Minimum membaca Maksimum membaca
Q3/Q1 m3/jam
LXXG-50 2” R20 (R25) 25 31.25 5 1.25 0.002 999, 999
LXXG-65 2/2" 40 50 8 2 0.002 999, 999
LXXG-80 3” 63 78.75 12.6 3.15 0.002 999, 999
LXXG-100 4” 100 125 20 5 0.002 999, 999
LXXG-125 5” 160 200 32 8 0.002 999, 999
LXXG-150 6” 250 312.5 50 12.5 0.002 999, 999
LXXG-200 8” 400 500 80 20 0.002 999, 999
LXXG-250 10” 630 787.5 126 31.5 0.02 9, 999, 999

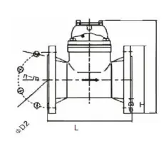
Dimensi keseluruhan dan berat:

Model hari Panjang Tinggi Flensa sambungan
mm Flensa luar diameter φD1 Jumlah baut penghubung D2 Jumlah baut penghubung
LXXG-50 2” 200 253 165 125 4*M16
LXXG-65 2V2" 200 268 185 145 4*M16
LXXG-80 3” 225 284 200 160 8*M16
LXXG-100 4” 250 295 220 180 8*M16
LXXG-125 5” 250 310 250 210 8*M16
LXXG-150 6” 300 339 285 240 8*M20
LXXG-200 8” 350 382 340 295 8*M20(1,0MPa) 12*M20(1,0MPa)
LXXG-250 10” 450 438 395 405
12*M20(1,0MPa) 12*M24(1,0MPa)

A. Kesalahan maksimum yang diperbolehkan pada area rendah (Q1≤Q

B.Ketika suhu air≤30℃, kesalahan maksimum yang diijinkan di area tinggi (Q2≤Q≤Q4) adalah±2% Ketika suhu air>30℃, kesalahan maksimum yang diijinkan di area tinggi (Q2≤Q≤Q4) adalah±3%






Tag Panas: Meteran Air Irigasi
mengirimkan permintaan
Info kontak
Siap membawa proyek sistem air Anda ke tingkat berikutnya? Kirim pertanyaan ke Shandong Epoch Equipment Co., Ltd. dan menerima tanggapan yang dipersonalisasi dari tim kami. Kami di sini untuk membantu dengan semua kebutuhan sistem air Anda. Biarkan kami menjadi mitra tepercaya Anda.
X
Kami menggunakan cookie untuk menawarkan Anda pengalaman penelusuran yang lebih baik, menganalisis lalu lintas situs, dan mempersonalisasi konten. Dengan menggunakan situs ini, Anda menyetujui penggunaan cookie kami. Kebijakan Privasi
Menolak Menerima